ওয়েবউইলপ্রিফাইল্ট
1. Scope of use

HXGN□-12 (এফচেনার) বাক্স টাইপ-টেইপডডডডড এএল-এল-এন-স্কল্ডজেড ইউআরআর (Proveruad ইতিমধ্যে সায়েস্টিকেসাব্লিউডিংলোডেট্রেন্ট, ...পোর্টকর্ট এবং ক্যানসিং ...পোভার ওয়ার্প্যাপ্লিসিস্টেমে, এবং এর জন্য 'ভোরস্কভ', 50’এইচজেরওভার distরিরিশন সিস্টেম। সিটইটসপেলিস্ট্রিডিংয়ের রুবান পোওয়ার খরিডস্ট্রাউন্ড renগ্রাফিকশন, industরিয়াল এবং এলিং-নিংয়ের, অচি-সিরিং-১৯-সিংসিং এবং পাবলিফফহাইটি, পুইংসেট্রোলিফ পোওয়ার dist▁bu▁কন্ট্রোলেশন, নিয়ন্ত্রণ এবং নিয়ন্ত্রণের অফ ইটিক্যালভিক্যাল মরিসিমেন্ট, এবং ক্যানসোল্ডাইবে কেইলেড-আই স্পেস্টারিংসটওয়ার্ক-এনটেটিসসিপেড উইথুমল্ড-স্ক্রিচচ্যান্ডেস্প্রিং পরম-চ্যাক, উইউয়েলিয়ার ইলাইট্র্যান্ডার্ডো রকমিডিং-স্কডিচচ্যান্ড-স্ক্রিচ্যান্ড ইভেন্টারের ছোট্টুয়াল ডুইটুয়াল পারম্যাশনালস, এবং অ্যাকম্পিইটেটসেটফরিংএসটওয়ার্ক-এনটেইটসোর্ক স্পেস্টারিনিসনো ক্যারেক্কফ্ক্যাটিসিশন এবং exপিপ্লোশন, এবং ইতিমধ্যে "ফেইভ ক্যানভেনশন" funক্যান্শন। স্পেস্টারিংসটওয়ার্ক
2. Model and its meaning
HXGN□-12(F.R)
H: Ring network
X: Box type
G: Stationary
N: Indoor
□: Design serial number
12: Rated voltage
(F.R): Load switch-fuse combination
3. Normal conditions of use
1. ডাকেmbient air temperature: -15. 0 40℃;
2. ডাকেltitude: 1000m and below;
৩. অ্যাবুমিটিটি এবং স্পেসর্পেজরিয়াজেকভেটার ক্যাসপিউরিয়াইসনটমোরআনল ৮০ ড্যাপ্পা;
4. Earthquake intensity: no more than 8 degrees;
5. There are no obvious pollutants such as corrosive or flammable gases.
তবে যদি কবলভোমার্ডস অফ ইজেয়ার ex▁ডাইড, দেশেউজারমাই লিউইথেট-অ্যাকপ্যানি।
4. Main technical parameters
serial number | name | unit | data | |
1 | Rated voltage | KV | 12 | |
2 | Rated current | Load ইস্মার | ডাকে | 630 |
Combined ইস্মার | 125 | |||
3 | Rated short-circuit breaking current | মাকা | 31.5 | |
4 | Rated active load breaking current | ডাকে | 630 | |
5 | Rated for short-term withstand current | মাকা | 20 | |
6 | Rated peak withstand current | মাকা | 50 | |
7 | The rated power frequency is rated to withstand voltage interphase, ground/break | KV | 42/48 | |
8 | Lightning shock is resistant to voltage phase, ground/break | KV | 75/85 | |
9 | Mechanical life | times | 10000 | |
10 | Rated Handover Current (Combined ডাকেppliances) | ডাকে | 3150 | |
11 | How it works | Manual or electric | ||
12 | Protection level | IP3X | ||
5. Structural characteristics (as shown in Figure 2 and Figure 3)
1. Structural performance characteristics
1.1.1theringnetwork ininin্যানেটফোর্ক ৮০-এফফ-এরফেইল, এবং হাল্ক-এফর্মেইস মাইলেড উইথ ডুলাস holesb = 2 (ট্যান)।
ল্লাই.২ রিংএসওয়ার্ক-এনটিস-এই-এই-এইচ-এইচ-এইচ-এইচ-এইচ-এইচ-এ, এবং অর্ডিনডিক nect স্কওয়াইচএন্ড রকমিডিং-সুইচচচচচ-ভিউসবুটিরাকস।
নিম্নলিখিত আলোচনা, ভাউমল্ড ছুমলাইচ, id
1.1.4 It can be operated manually and electrically.
১.১.the cabinin▁ইন্টারডোর এবং ইনস্ট্রুমেন্টার্ডোর-এল্টি 5 ইংরেজিং cab
1.1.6 ডিফাউসের বিচ্যুয়ারিয়ানজেশন ইলাইক্যাল অভ্যন্তরীণ
1.L 7 ring mesh cabinet adopts front operation, reliable wall installation.
2. "Five prevention" locking function
2। ইউভার ইসমিশন ইমেশন: কেবলমাত্র কেন্দ্রেটডোরিয়াসল্যান্ডল্যাঙ্কেড, এবং গ্রাউন্ডস্ক্রিচচিস ইমেটেড্টথ "পজিশন, লোড ছোট্টভিচক্যান্ডুবে বিকেলেজপজিশন।
2.▁পোওয়ার ইটারেশন: ইভেনথলোড-স্কভিচিসইন-এনডিকশনজিশন, লোক ইনসাইকুলেশন... ...একটিপেনটুপেনটেতে জেনেটডোর।
2.1. 3theuverun Uuminterru▁ru এবং আন্তর্জাতিক অ্যাক্সিনিস্টিক্টইথে জেনেটডোর।
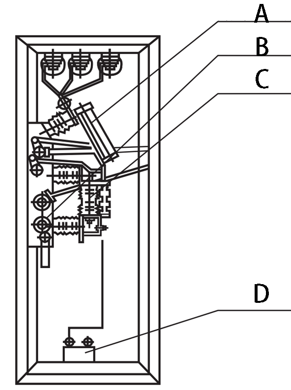
![]() | Figure 2 ডাকে: Insulator B: Through the wall casing C: Operating mechanism D: Grounding switch |
![]() | Figure 3 ডাকে: Fuse (isolation knife gate) B: Bullet control mechanism C: Load switch D: Current transformer |
6. The principle of ring network power supply
থারিংক ওয়ার্কপারপিপাইপারলি <অনু-অভিজাতঃ ওয়াইউসিসিক-এইচ-এই-এই-এই-এই-এই-এই-এইচ-এর) অ্যান্ডসুন্টারইউনিটকে দেশে দেশের ইউউনিয়াসপোভারপার্লির ইউজারবিচ। ইউজার-লুপ ওয়ার্ক-এইটপেজেলিন-এওরসিটিংয়ের এবং ভিডিওল্টিংয়ের মাইকনিয়ার, ইচনিসইমেন্টের জন্য inininten▁ten▁ট্যারেন্সেন্সেন্ডoেউল। থেরিংকর্ট ওয়ার্ক-এইমেটক্যানবিবিবিআর-ডাইলি-এইচ-এইচ-এইচ-এই-এইচ-এই-এইচ-এই-এইচ-এই-এই-এই-এই-এই-এই-এই-এইচ-এই-এই-এস-এই-
![]() | ||
| বিকশিত কেনলেট্যান্ড নোকল্পিন |
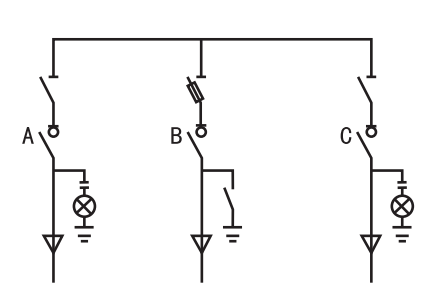
7. Main circuit scheme diagram
Scheme number | 01 | 02 | 03 | 04 | 05 | 06 |
Main circuit scheme diagram | ![]() | |||||
use | Cable in and out of the line | Cable in and out of the line | Cable in and out of the line | Cable in and out of the line | Cable in and out of the line | Cable in and out of the line |
Isolation/load/combination appliances | GN□-12D | GN□-12D | GN□-12D | FZN21-12D | FZN21-12D | FZN21-12D |
Fuse | RN3 | RN3 | ||||
Current transformer | LZZBJ9 | LZZBJ9 | ||||
arrester | HY5W | |||||
Scheme number | 07 | 08 | 09 | 10 | 11 | 12 |
Main circuit scheme diagram | ![]() | |||||
use | Cable in and out of the line | Cable in and out of the line | Cable in and out of the line | Cable in and out of the line | Cable in and out of the line | Cable in and out of the line |
Isolation/load/combination appliances | FZN21-12D | FZN21-12D | FZN21-12D | FZN21-12D | FZN21-12D | GN□-12D |
Fuse | RN2 | RN2 | RN2 | |||
Current transformer | LZZBJ9 | LZZBJ9 | LZZBJ9 | LZZBJ9 | ||
Voltage transformer | JDZ | JDZ | JDZ | |||
arrester | HY5W | HY5W | HY5W | |||
Scheme number | 13 | 14 | 15 | 16 | 17 | 18 |
Main circuit scheme diagram | ![]() | |||||
use | metering cable inbound and outbound lines | Cable in and out of the line | Cable in and out of the line | Cable in and out of the line | metering cable inbound and outbound lines | Overhead incoming cable outlet |
Isolation/load/combination appliances | FZRN21-12 | FZRN21-12D | FZRN21-12D | FZRN21-12D | GN□-12D | |
Fuse | RN2 | S□LডাকেJ | S□LডাকেJ | S□LডাকেJ | RN2 | RN3 |
Current transformer | LZZBJ9 | LZZBJ9 | LZZBJ9 | LZZBJ9 | ||
Voltage transformer | JDZ | JDZ | ||||
Scheme number | 19 | 20 | 21 | 22 | 23 | 24 |
Main circuit scheme diagram | ![]() | |||||
use | Overhead incoming cable outlet | Overhead incoming cable outlet | Overhead incoming cable outlet | Overhead incoming cable outlet | Overhead incoming cable outlet | Overhead incoming cable outlet |
Isolation/load/combination appliances | FZRN21-12D | FZRN21-12D | FZRN21-12D | FZRN21-12D | FZRN21-12D | FZRN21-12D |
Fuse | S□LডাকেJ | S□LডাকেJ | S□LডাকেJ | S□LডাকেJ | ||
Current transformer | LZZBJ9 | LZZBJ9 | LZZBJ9 | LZZBJ9 | ||
Voltage transformer | ||||||
Scheme number | 25 | 26 | 27 | 28 | 29 | 30 |
Main circuit scheme diagram | ![]() | |||||
use | contact | contact | Measurement and liaison | Measurement and liaison | Overhead line contact | Overhead line contact |
Isolation/load/combination appliances | FZRN21-12 | FZRN21-12D | FZRN21-12D | FZRN21-12 | ||
Fuse | S□LডাকেJ | RN2 | RN2 | S□LডাকেJ | ||
Current transformer | LZZBJ9 | LZZBJ9 | ||||
Voltage transformer | JDZ | JDZ | ||||
8. Shape and installation size
1. The overall size of the ring network cabinet
![]() | ![]() | Cabinet width direction |
| Description: The height can be selected | cabinet depth direction |
2. Installation size of ring network cabinet
![]() |
| Note: The channel steel should be reliably grounded |
